XSVR02020滾珠絲桿參數
鋼珠中???????? Ball center dia.?? 20.75
鋼珠直徑(mm)?? Ball dia.????????? 3.175
導程(mm)?????? Pitch????????????? 20
珠卷數???????? Number of turns??? 1.8×1
導程角???????? Lead angle???????? 17.05°
螺旋方向?????? Helix dir.???????? R
彈簧力???????? Spring force?????? 0.1~0.3Kg
預壓量???????? Preload??????????? 31Kgf
動負荷Ca(Kgf)? Dynamic (Ca)?????? 630
靜負荷Co(Kgf)? Static (Coa)?????? 1422
精度(級數)???? Grade????????????? 0.018

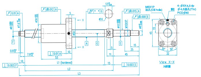
XSVR02020滾珠絲桿不同長度的參數
行程(mm)??????? 公稱編號??????????????? 絲桿軸長度?????? 軸心偏擺
Strke?????????? Model NO???????????? L1??? L2????? L3
200???? XSVR0202OA1DGC5-399-P1?????? 289?? 314???? 399??? 0.035
300???? XSVR0202OA1DGC5-499-P1?????? 389?? 414???? 499??? 0.040
400???? XSVR0202OA1DGC5-599-P1?????? 489?? 514???? 599??? 0.050
500???? XSVR0202OAIDGC5-699-P1?????? 589?? 614???? 699??? 0.065
600???? XSVR0202OAIDGC5-799-P1?????? 689?? 714???? 799??? 0.065
700???? XSVR0202OA1DGC5-899-P1?????? 789?? 814???? 899??? 0.085
800???? XSVR0202OA1DGC5-999-P1?????? 889?? 914???? 999??? 0.085
900???? XSVR0202OAIDGC5-1099-P1????? 989?? 1014??? 1099?? 0.110
1000??? XSVR0202OAIDGC5-1199-P1????? 1089? 1114??? 1199?? 0.110。
【滾珠絲桿的工作原理】
在絲桿和螺母上加工有弧行螺旋槽,當它們套裝在一起時便形成螺旋滾道,并在滾道內裝滿滾珠。而滾珠則沿滾道滾動,并經回珠管作周而復始的循環運動。回珠管兩端還起擋珠的作用,以防滾珠沿滾道掉出。
瀏覽XSVR02020滾珠絲桿的用戶還會?
XSVR01520滾珠絲桿、XSVR02010滾珠絲杠。
XSVR02010滾珠絲桿參數
鋼珠中???????????????????????????????? ?Ball center dia.?????????????????????? ?21.35
鋼珠直徑(mm)??????????????? ? Ball dia.???????????????????????????????????? ?3.969
導程(mm)????????????????????????? Pitch???????????????????????????????????????? ?? 10
珠卷數?????????????????????????????? ? Number of turns??????????????????? ? 2.7×1
導程角???????????????????????????? ?? Lead angle???????????????????????????????? 22.33°
螺旋方向??????????????????????? ??? Helix dir.?????????????????????????????? ????? R
彈簧力??????????????????????????? ?? Spring force????????????????????????????? 0.1~0.3Kg
預壓量??????????????????????????? ?? Preload????????????????????????????????????? 43Kgf
動負荷Ca(Kgf)???????????? ? Dynamic (Ca)???????????????????? ???? ?1252
靜負荷Co(Kgf)?????????????? Static (Coa)?????????????????????????????? 2748
精度(級數)????????????????????? Grade?????????????????????????????????????? ? 0.018
XSVR02010滾珠絲桿不同長度的參數
行程(mm)????????????????????????公稱編號?????????????????????? 絲桿軸長度????????????????????? 軸心偏擺
Strke?????????????????????????????? Model NO???????????????????? L1??? L2????? L3
200???? XSVR0201OB1DGC5-399-P1?????? 289?? 314???? 399??????????????? ?0.035
300???? XSVR0201OB1DGC5-499-P1?????? 389?? 414???? 499????????????????? 0.040
400???? XSVR0201OB1DGC5-599-P1?????? 489?? 514???? 599??????????????????0.050
500???? XSVR0201OBIDGC5-699-P1?????? 589?? 614???? 699???????????????? ?? 0.065
600???? XSVR0201OBIDGC5-799-P1?????? 689?? 714???? 799?????????????????? ?0.065
700???? XSVR0201OB1DGC5-899-P1?????? 789?? 814???? 899??????????????????? 0.085
800???? XSVR0201OB1DGC5-999-P1?????? 889?? 914???? 999????????????????????? 0.085
900???? XSVR0201OBIDGC5-1099-P1????? 989?? 1014??? 1099?????????????? ??0.110
1000??? XSVR0201OBIDGC5-1199-P1????? 1089? 1114??? 1199??????????????? 0.110
【TBI滾珠絲桿簡介】
全球傳動科技股份有限公司(TBI MOTION) 成立TBI MOTION同時整合TBI的專業製造技術及COMTOP的行銷體系以展新的面貌引領市場。
TBI滾珠絲桿是以多年來所累績的制品技術甚而,從材料,熱我理、制造、檢查到出貨,者是以嚴謹的品保制度來加以管理,因此具有高信賴性
瀏覽XSVR02010滾珠絲杠滾珠絲桿的用戶還會?
XSVR01520滾珠絲杠、DFV2010滾珠絲杠等。
XSVR01520滾珠絲杠參數
鋼珠中??????????????????????????? Ball center dia.??????????????? ? 15.5
鋼珠直徑(mm)????????????Ball dia.????????????? ????????????????? 3.175
導程(mm)??????????????????? Pitch?????????????????????????????????? ?? 20
珠卷數???????????????????????? ? Number of turns????????? ??? 1.8×1
導程角?????????????????????????? Lead angle????????????????????????? ?22.33°
螺旋方向????????????????????? Helix dir.???????????????????????????????? ?R
彈簧力?????????????????????? ? Spring force????????????????????? ?? 0.1~0.3Kg
預壓量???????????????????????? Preload???????????????????????????????? 38Kgf
動負荷Ca(Kgf)??????????Dynamic (Ca)??????????????????? ? 549
靜負荷Co(Kgf)????????? Static (Coa)?????????????????????????? 1097
精度(級數)????????????????? Grade??????????????????????????????????? ? 0.018

XSVR01520滾珠絲桿不同長度的參數
行程(mm)?????????????????????????? 公稱編號?????????????????????????????????????????????? 絲桿軸長度?????????????? 軸心偏擺
Strke?????????????????????????????????????Model NO???????????????????????????????????????? ?L1??? L2????? L3
100??????????????????????? ?? XSVR01520A1DGC5-271-P1??????????????189?? 204?? 271???????????????? 0.025
150?????????????????????????? XSVR01520A1DGC5-321-P1???????????????239?? 254?? 321??????????????? 0.035
200???????????????????????? ?XSVR01520A1DGC5-371-P1???????????????289?? 304?? 371????????????? ?0.035
250????????????????????????? XSVR01520AIDGC5-421-P1??????????????? 339?? 354?? 421???????????????? 0.040
300?????????????????????????XSVR01520A1DGC5-471-P1?????????????? 389?? 404?? 471????????????????? 0.040
350??????????????????????? ?XSVR01520A1DGC5-521-P1??????????????? 439?? 454?? 521????????????????? 0.050
400?????????????????????? ?XSVRO1520AIDGC5-571-P1??????????????? 489?? 504?? 571???????????????? ?0.050
450????????????????????????XSVR01520AIDGC5-621-P1?????????????? ? 539?? 554?? 621????????????????? ?0.050
500???????????????????????XSVRO1520AIDGC5-671-P1?????????????????589?? 604?? 671?????????????????? 0.065
550????????????????????? ?XSVR01520A1DGC5-721-P1???????????????? 639?? 654?? 721??????????????????? 0.065
600????????????????????? XSVR01520A1DGC5-771-P1??????????????? 689?? 704?? 771????????????????? ? 0.065
700???????????????????? XSVR01520A1DGC5-871-P1??????????????? ?789?? 804?? 871?????????????????? ?0.085
800????????????????? ?? XSVR01520A1DGC5-971-P1???????????????? 889?? 904?? 971???????????????????? 0.085
【研磨滾珠絲杠的特點】:
研磨絲杠具有定位精度高,反向間隙小,噪音低,效率高、高效率及可逆性,零背隙及高剛性, 高導程精度壽命可預測低起動扭矩及順暢度,靜音短交期優於氣液壓致動器的優點。
瀏覽XSVR01520滾珠絲桿的用戶還會?
XSVR01510滾珠絲杠、XSVR01210滾珠絲桿等。
XSVR01510滾珠絲桿參數
鋼珠中?????????????????????????????????? Ball center dia.??????????????????????? ?15.5
鋼珠直徑(mm)?????????????????? Ball dia.????????????????????????????????????? 3.175
導程(mm)????????????????????????? ?Pitch???????????????????????????????????????????? ? 10
珠卷數??????????????????????????????????Number of turns???????????????????? 2.7×1
導程角??????????????????????????????? ? Lead angle??????????????????????????????? 11.6°
螺旋方向???????????????????????? ??? ?Helix dir.?????????????????????????????????? R
彈簧力??????????????????????????????? ? Spring force????????????????????????? ? 0.1~0.3Kg
預壓量???????????????????????????????? ?Preload????????????????????????????????????? 38Kgf
動負荷Ca(Kgf)???????????????? ?Dynamic (Ca)?????????????????????????? 802
靜負荷Co(Kgf)???????????????? ?Static (Coa)????????????????????????????? ?1634
精度(級數)????????????????????????? Grade???????????????????????????????????????? 0.018
XSVR01510滾珠絲桿不同長度的參數
行程(mm)??????????????????????????????公稱編號???????????????????????????????????????????????? ?? 絲桿軸長度????????????? ?軸心偏擺
Strke???????????????????????????????? ? Model NO???????????????????????????????????????????????? L1??? L2??? L3
100??????????????????????????XSVR01510B1DGC5-271-P1?????????????????? ?189?? 204?? 271?????????????? 0.025
150??????????????????????????XSVR0151OB1DGC5-321-P1??????????????????? 239?? 254?? 321?????????????? 0.035
200?????????????????????????XSVR01510B1DGC5-371-P1????????????????????289?? 304?? 371??????????????0.035
250?????????????????????????XSVR0151OBIDGC5-421-P1??????????????????? ?339?? 354?? 421?????????????? 0.040
300?????????????????????????XSVR01510B1DGC5-471-P1??????????????????? ?389?? 404?? 471??????????????0.040
350?????????????????????????XSVR0151OB1DGC5-521-P1??????????????????? ?439?? 454?? 521???????????????0.050
400?????????????????????????XSVRO151OBIDGC5-571-P1?????????????????????489?? 504?? 571??????????????0.050
450?????????????????????????XSVR0151OBIDGC5-621-P1????????????????????? 539?? 554?? 621????????????? 0.050
500????????????????????????XSVRO151OBIDGC5-671-P1??????????????????????589?? 604?? 671??????????????0.065
550?????????????????????????XSVR0151OB1DGC5-721-P1???????????????????? 639?? 654?? 721???????????? ?0.065
600????????????????????????XSVR0151OB1DGC5-771-P1???????????????????? 689?? 704?? 771???????????? ?0.065
700????????????????????????XSVR0151OB1DGC5-871-P1???????????????????? 789?? 804?? 871???????????? ?0.085
800????????????????????????XSVR0151OB1DGC5-971-P1????????????????????? 889?? 904?? 971????????????? ?0.085
【研磨滾珠絲桿簡述】
研磨絲杠的精度是按傳統的機械加工方法來實現的。它是以絲杠中心孔為加工基準,通過車削、研磨……達到圖紙設計要求。通常要進行二十幾道工序,花費30~40天的時間。它的制造精度可以達到P1級。
瀏覽XSVR01510滾珠絲杠的用戶還會?
DFV1510滾珠絲杠、SFU5010滾珠絲杠等。
XSVR01210滾珠絲桿參數
鋼珠中????????????????????? ??Ball center dia.??????????? ?12.85
鋼珠直徑(mm)??????? Ball dia.?????????????????????????? ??2.5
導程(mm)?????????????? ?Pitch????????????????????????????????? ?10
珠卷數?????????????????????? Number of turns??????????? ?2.7×1
導程角???????????????????????Lead angle??????????????????????? 13.91°
螺旋方向????????????????? Helix dir.???????????????????????? ? R
彈簧力?????????????????????? Spring force?????????????????????0.1~0.2Kg
預壓量???????????????????????Preload??????????????????????????? ? 25Kgf
動負荷Ca(Kgf)??????? Dynamic (Ca)???????????????? ?513
靜負荷Co(Kgf)???????Static (Coa)???????????????????? ?1004
精度(級數)????????????? ?Grade??????????????????????????????? ?0.018
XSVR01210滾珠絲桿不同長度參數
行程(mm)??????? 公稱編號??????????????????? ???????????????????????? ??絲桿軸長度??????????????????? ?軸心偏擺
Strke??????????????? Model NO?????????????????????????????????????????????????L1???? ?L2?? ????? L3
100?????? XSVRO121OB1DGC5-230-P1???????????????? 160???? ?175????? 230?????? ? 0.035
150?????? XSVRO121OB1DGC5-280-P1??????????????????210???? 225???? ?280???????? 0.035
250?????? XSVR0121OB1DGC5-380-P1????????????????? 310??? ?325???? ?380?????? ?0.050
350?????? XSVR0121OB1DGC5-480-P1??????????????????410???? 425????? 480???????? 0.060
450?????? XSVR0121OB1DGC5-580-P1?????????????????? 510??? 525????? 580?????? 0.075
瀏覽XSVR01210滾珠絲桿的用戶還會?
DFV2010滾珠絲杠、SFU1204滾珠絲杠等.