當前位置: 滾珠絲桿網 ? 2510滾珠絲杠 ? DFV2510滾珠絲杠
DFV2510滾珠絲杠
雷研精密傳動設備有限公司供應DFV2510滾珠絲杠【貨源充足、價格合理、原裝正品、品牌齊全】滿足客戶的需求。請需要DFV2510滾珠絲桿的朋友聯系:黃志杰(經理)? 聯系電話:15802034588。
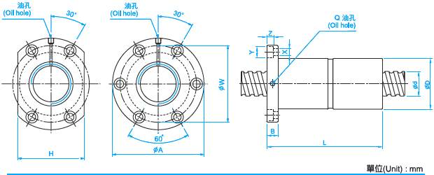
DFV2510滾珠絲桿參數
型號:DFV2510
絲桿外徑:25
導程:10
珠徑:6.35
螺母外徑:68
法蘭直徑:102
法蘭的厚度:15
螺母的長度:130
安裝孔之間的距離:84
法蘭的寬度:82
珠圈數:2.7×1
動額定負荷:3040
靜額定負荷:6547
剛性:49
【DFV2510滾珠絲桿使用注意事項】
(1)不要將滾珠螺桿螺帽從滾珠螺桿軸上卸下來,這樣可能導致滾珠或螺帽脫落。
(2)異物進入后可能引起滾珠迴圈路徑的破損或者功能的損失,所以請防止灰塵、切削屑等異物的進入系統。
(3)垃圾、鋸粉等異物附著時,請用乾凈煤油清洗后重新封入潤滑劑。有關可用清潔劑的種類。
(4)要在冷卻劑可能進入花鍵軸承套內部的環境下使用時,由於某些種類的冷卻劑會影響產品性能。
(5)要超過80°C使用時。
(6)如果是在垂直狀態使用本產品,滾珠螺桿螺帽可能因為其重量而落下。為防止滾珠掉落,請裝上防護機構。
(7)若超過容許轉速,會造成部品的損傷或引發事故。請在THK規定的規格范圍內使用。
(8)強行驅動滾珠螺桿軸或滾珠螺桿螺帽可能造成滾動面的壓痕,安裝元件時請注意。
(9)螺桿軸的支撐部和滾珠螺桿螺帽出現偏位或歪斜時,將極端縮短其使用壽命,請注意安裝元件和安裝精度。
(10)要在經常產生振動的場所、無塵室、真空、低溫或高溫等特殊環境下使用時,請事先與THK聯繫。
(11)滾珠螺桿螺帽過調節將引起滾珠脫落,或造成滾珠迴圈元件的損傷。
瀏覽DFV2510滾珠絲桿的用戶還會?
DFV2508滾珠絲杠、DFV2004滾珠絲桿等。
滾珠絲杠討論①群263545937(專家在線為你解答)歡迎你的加入!
版權所有 © 轉載時必須以鏈接形式注明作者和原始出處!


