當前位置: 滾珠絲桿網 ? 2004滾珠絲桿 ? DFVR2004滾珠絲桿
DFVR2004滾珠絲桿
雷研精密傳動設備有限公司供應DFV2004滾珠絲杠【貨源充足、價格合理、原裝正品、品牌齊全】滿足客戶的需求。請需要DFV2004滾珠絲桿的朋友聯系:黃志杰(經理)? 聯系電話:15802034588。
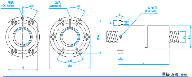
DFV2004滾珠絲桿參數
型號:DFV2004
絲桿外徑:20
導程:4
珠徑:2.381
螺母外徑:40
法蘭直徑:60
法蘭的厚度:10
螺母的長度:94
安裝孔之間的距離:50
法蘭的寬度:40
珠圈數:4.8×1
動額定負荷:1247
靜額定負荷:3584
剛性:61。
圖紙下載:DFVR2004滾珠絲桿圖紙PDF
【DFV2004滾珠絲桿放置注意事項】
(1)請避免在超過80°C的條件下使用。要超過80°C使用時,請與我們聯系。
(2)垃圾、鋸粉等異物附著時,請用乾凈煤油清洗后重新封入潤滑劑。有關可用清潔劑的種類,請與我們聯系。
(3)要使用於縱軸時,請采取對應錯施,如添加防止落下的安全機構等。否則,可能導致滾珠螺稈螺帽因自重而落下。
(4)使用時請不要超過容許轉速。否則,可能導致部件的破損、事故。使用轉速請控制在本公司的規格范圍內。

(5)請不要將部件強行打入滾珠絲杠軸或滾珠螺桿螺帽。滾動面可能會出現壓痕,安裝部件時請注意。
(6)絲杠軸的支撐部和滾珠絲杠螺帽出現偏位或歪斜時,將極端縮短其使用壽命,請注意安裝元件和安裝精度。
(7)要在經常有振動作用的場所、無塵室、真空、低溫或高溫等的特殊環境下使用時,有可能無法使用標準品,因此請咨詢我們。
(8)請不要讓滾珠絲杠螺帽超過懸臂范圍。否則,可能發生鋼球的脫落、鋼球循環部件的損傷等。
瀏覽DFV2004滾珠絲桿的用戶還會?
DFV1610滾珠絲桿、DFV1510滾珠絲桿等。
滾珠絲杠討論①群263545937(專家在線為你解答)歡迎你的加入!
版權所有 © 轉載時必須以鏈接形式注明作者和原始出處!


